Kód produktu: 544

Vášvozík.sk

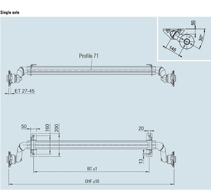
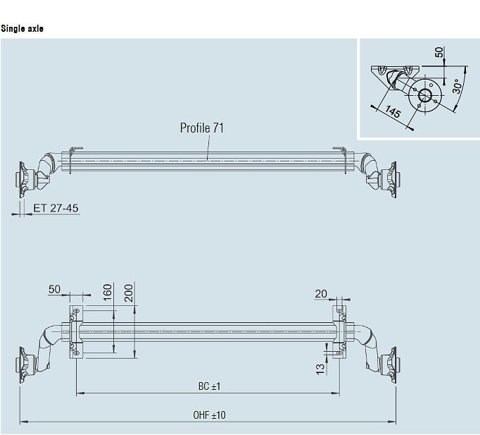
Náprava 750 kg 900mm AL-KO

Náprava nebrzdená s nosnosťou 750 kg. náboj 4x100 ( dostupné aj s roztečou 5 x 112  + 10 Eur s...
Bežná cena €181,00 EUR

Ceny sú uvedené s DPH

✅Potrebujete pomôcť s výberom? Zavolajte nám.📞

📞0907 469 535

vasvozik.sk@centrum.sk

SKLADOM

Doplnky pre tento príves
ℹ️ Platba na dobierku, kartou alebo faktúrou

Spôsob platby vyberiete v pokladni.

Náprava nebrzdená s nosnosťou 750 kg.

  • náboj 4x100 ( dostupné aj s roztečou 5 x 112  + 10 Eur s DPH )
  • rozteč uchytenia BC 900 mm
  • rozteč medzi nábojmi kolies OHF 1330 mm 
  • model : UBR 700  Optima
  • typ : 700-5
  • ložiská : dvojradové guľkové

Možnosť objednať aj nápravu s inou roztečou uchytenia viď tabuľka

Potrebujete pomôcť s výberom?

00

:

00

:

00