Kód produktu: 547

Vášvozík.sk

Náprava 1000kg 1400mm AL-KO

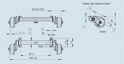
Náprava brzdená s nosnosťou 1000 kg. model : PLUS typ : B 850-10 náboj 4 x100 ( dostupné aj s roztečou...
Bežná cena €462,00 EUR

Ceny sú uvedené s DPH

✅Potrebujete pomôcť s výberom? Zavolajte nám.📞

📞0907 469 535

vasvozik.sk@centrum.sk

SKLADOM

Doplnky pre tento príves
ℹ️ Platba na dobierku, kartou alebo faktúrou

Spôsob platby vyberiete v pokladni.

Náprava brzdená s nosnosťou 1000 kg.

  • model : PLUS
  • typ : B 850-10
  • náboj 4 x100 ( dostupné aj s roztečou 5 x 112  + 10 Eur s DPH )
  • šírka uchytenia BC 1400 mm
  • šírka medzi nábojmi kolies OHF 1850 mm 
  • brzdový bubon : 2051
  • stredový otvor : 57 mm
  • ložisko : dvojradové guličkové
  • vrátanie brzdových laniek a diskových skrutiek

Možnosť objednať aj nápravu s inou roztečou uchytenia viď tabuľka

Potrebujete pomôcť s výberom?

00

:

00

:

00